マイクロせん断加工
せん断加工は,生産性が高く高形状精度が得られ,生産現場でも主要な位置を占めています.それによる打抜き/穴抜きにおいて,製作した微細パンチを用いて極小径穴の加工を行います. |
|
ダイレス打抜きによる微細穴あけ加工 |
| ダイを用いず工作物裏側を接着テープで支持することにより,極小径穴の打抜きが可能になった.厚さ3μmのステンレス鋼箔に対して,内径6μmまでの打抜きが行えた. 参考文献 参考文献(学内専用)(Precision Engineering, Vol.78, 2022, pp.114-123) |  |  | | 打抜き加工例(表側) | 打抜き加工例(裏側) |
|
異形断面マイクロパンチを用いたダイレス打抜きによる穴あけ加工 |
| 断面が円形以外のマイクロパンチを製作し,ダイレス打抜きにより穴あけ加工を試みた.その結果,微細四角穴や微細半月穴の打抜きに成功した. 参考文献 参考文献(学内専用)(Precision Engineering, Vol.83, 2023, pp.250-261) |  |  | | 微細四角穴 | 微細半月穴 |
|
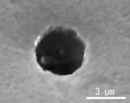
ダイレス打抜き加工における支持体及びパンチ形状の改善 |
| ダイレス打抜きによる微細穴あけ加工において,工作物をバックアップする支持体を接着テープから付箋紙に変更した.また,ストレート部分を短くしたステップ形状パンチを使用した.これらにより,内径4µm未満の極小径穴の加工に成功した. 参考文献(Procedia CIRP, Vol.137, 2025, pp.13-18) |  | | 内径4µm未満の極小径穴 |
|
ダイレス打抜きを用いたマイクロニブリング加工 |
| ダイレス打抜きを用いてニブリング加工による微細スリット加工を試みた.その結果,幅5µmまでの極細スリットの加工や,微細形状の切抜きに成功した. 参考文献(Precision Engineering, Vol.97, 2026, pp.953-960) |  |  | | 幅5µmの極細スリット | 扇形の切抜き例 |
|